
冷卻塔系統規范要求主機尺寸盡量匹配,以適應負載的變化,但此時連接冷凝器、水泵和冷卻塔是很麻煩的。
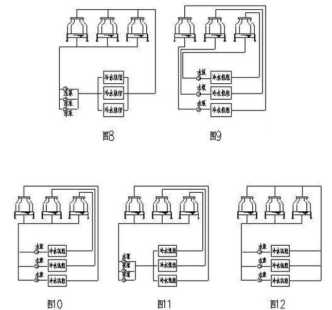
工程中,多臺冷卻塔并聯運行時,一般有5種配管方式,見圖8-12。

圖9 管道布置最為復雜,占用空間大,但流量分布合理,運行可靠性高。 圖8、圖10、圖11中的管線布置簡單,但經常出現溢流補水現象。 主要原因是:
1、一般在塔的進水管上安裝電動閥,出水管上不裝。 未運行的塔的進水閥關閉,但出水管已連接。 單臺機組運行時,所用冷卻塔的水盤水位升高,造成溢流,而其他不運行的冷卻塔的水盤不斷補水。
2、各塔配水不平衡,主要是管道布置問題。 有的塔進水管阻力小,出水管阻力大; 進水多進水少,導致溢出。 相反,有些塔會不斷補充水。
3、當幾個不同大小的冷卻塔連接在一起時,塔內水位不一樣,水盤低的塔難免會溢出。
基于以上問題,設計時要注意平衡問題,包括水位平衡和水量平衡。 聯合取水法通常采取以下措施:
1、圖8中,各冷卻塔進出水管均裝有電動閥,與水泵、冷卻塔風機聯鎖。
2、圖8、圖10、圖11中各冷卻塔(包括大小不同的塔)的水位應控制在同一高度,高度差不大于30mm。 塔間安裝冷卻塔平衡管,加大出水管公用管段直徑。
3、對于圖8和圖11,為了平衡每臺冷水機的水量,可以在每臺冷水機的出水口安裝一個平衡閥。 圖12 流水線布局簡單,系統流程易于平衡。 我們公司經常采用這種方法。
以上就是冷卻塔廠家為大家帶來多臺冷卻塔并聯使用的注意事項內容了,廣東康明節能空調專業生產靜音冷卻塔,工業冷卻塔,閉式冷卻塔,開式冷卻塔,橫流冷卻塔,逆流冷卻塔,方形冷卻塔,提供冷卻塔維修,冷卻塔節能改造,涼水塔改造,冷卻塔填料,電機風機減速機等品牌冷卻塔配件批發廠家價格,服務深圳,廣州,珠海,惠州等珠三角地區,設備規格齊全,冷卻塔公司歡迎您來電咨詢。
在尋找提升工業冷卻效率的秘訣嗎?您的冷卻塔是否面臨維護難題?別讓這些問題成為阻礙,立即來電獲取免費專屬冷卻塔解決方案,開啟高效冷卻新篇章!
·全面分析:我們提供全面的冷卻塔性能分析,找出效率瓶頸,量身定制改進方案。
·效率優化:借助先進技術和豐富經驗,優化您的冷卻塔運行,實現能效同步提升。
·維護簡化:我們的解決方案將簡化冷卻塔的維護流程,減少您的運營負擔。
·持久保護:保護您的冷卻塔免受季節性變化影響,確保全年無休的穩定運行。
·立刻行動,撥打我們的免費咨詢熱線:[13728927868],獲取您的專屬解決方案。
文章來源: 多臺冷卻塔并聯使用的注意事項 http://www.bjgv.cn/news/203.html
廣東康明節能空調有限公司
聯 系 人:
王經理
聯系電話:
13728927868
公司郵箱:
km23055667@163.com
公司地址:
深圳市龍華區龍華大道2125號衛東龍商務大廈A座1916A